Đặt hàng tại V Xanh ngay hôm nay để nhận nhiều ưu đãi hấp dẫn!

ISO 9001:2015

envelope-o

Email: sales@vxanh.com

mobile

Hotline:

Mã V Xanh: RVBO-DHF-3.2-3.5-6-ZI
Mã tham khảo: SD 42 BS LF

Đinh rút thép đầu vòm hở vành rộng 3.2*6 (grip 1.0 - 3.5)

Đang cập nhật
Thương hiệu
V Xanh
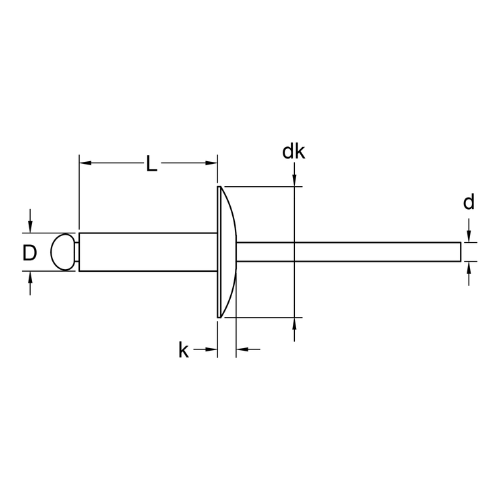
Thông số kỹ thuật
Độ dày kẹp 1 - 3.5 mm
d 2.1 mm
D 3.2 mm
dk 9.5 mm
k 2 mm
L 6 mm
Vật liệu thân rút Thép
Vật liệu chân rút Thép

Mô tả sản phẩm

Thông số chi tiết của Đinh rút rivet đầu vòm hở vành rộng: Xem

Đinh rút Rivet là một dạng đinh tán chuyên dụng dùng để bắt chặt hai hoặc nhiều bề mặt kim loại với nhau.

Cấu tạo của Rivet bao gồm:
- Phần thân (Body): Phần chính của Rivet có thể được làm từ Nhôm, Thép, Inox
- Phần chốt rút (Mandrel): Một thanh kim loại chạy xuyên qua thân Rivet, dùng để kéo và làm biến dạng thân Rivet để kẹp chặc các bề mặt kim loại với nhau.

Hướng dẫn lựa chọn Rivet phù hợp:
- Xác định chủng loại rivet: Open-End (Hở), Blind-End (kín), Multi-grip,...
- Lựa chọn vật liệu phần thân (Body) và phần chốt rút (Mandrel) của rivet
- Lựa chọn đường kính thân Rivet: 2.4mm, 3.2mm, 4.0mm, 4.8mm, ....
- Xác định độ dày cần kẹp hoặc chiều dài phần thân Rivet.